0
Saltar al contenido
Inicio
Trabajo
Contacto
Abrir menú
Cerrar menú
Inicio
Trabajo
Contacto
Abrir menú
Cerrar menú
Inicio
Trabajo
Contacto
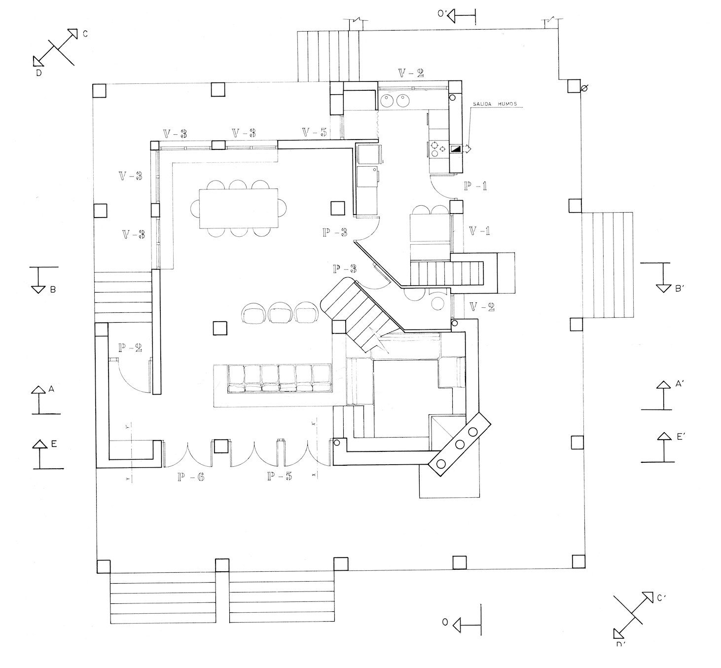
CASA LOSADA
texto
Fecha: 1980